Intercom access systems
Too much choice? Chat or call us at 085-0160316
-
DS-KH6320-WTE Indoor station 7" inch Screen
"Please note that the configuration of all intercom systems requires a computer running windows software." The indoor stations can only display locally connected cameras on the monitor, there is no functionality to display images via Hik-Connect on an indoor station...
-
DS-KV6113-WPE1 Doorbell (C) Stand-alone and/or modular
DS-KV6113-WPE1 Doorbell (C) Stand-alone and/or modular This doorbell works standalone, meaning that it can be used without an intercom monitor. The doorbell can be powered via PoE, but please note, do not use the PoE of the recorder for this. Instead, use...
-
D340W Smart 2K+ WiFi Video doorbell with separate bell
Smart 2K+ WiFi Video doorbell with separate bell View angle - Horizontal: 134° - Vertical: 97° - Diagonal: 180° Voeding: This video doorbell should be connected to: 12-24VAC 50/60HzThe internet connection is made via WiFi. 2K+ incredible brightness At least...
-
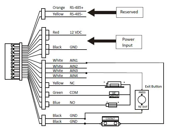
DS-KD8003-IME1 (B) Outdoor station camera module
The Hikvision DS-KD8003-IME1(B) is a KD8 Series modular door station designed to combine video intercom functionality with access control. This model features a 2 MP fisheye camera with additional infrared (IR) illumination, improving visibility in low-light conditions. The wide field...
-
DS-KH6320-WTE Indoor station 7" Screen WHITE
"Please note that the configuration of all intercom systems requires a computer with windows software."The indoor stations can only display locally connected cameras on the screen, there is no functionality to display images via Hik-Connect on an indoor station connected...
-
Network cable CAT5e UTP, 305 mtr, 100% copper, Solid cores
Network Cable CAT5e UTP, 305 mtr, 100% copper, Solid cores Hikvision DS-1LN5E-E/E UTP CAT5E Network Cable is ideally suited for video applications. The cable complies with standards according to TIA-568-C. In combination with the right network equipment, it can achieve speeds...
-
CDVI T290SR1024 Lock working current SR 10-24V CC + front plate
CDVI T290SR1024 Lock working current SR 10-24V CC + front plate Standard working current locking plate Permanent unlockable Double symmetrical front plate The T290SR1024 is a 12V resting current locking plate with faceplate. CDVI's S-series locking plates provide a solution...
-
Mifare tag MF-Y3 White
MF-Y3 White Mifare tag suitable for access solutions with MiFare readers. Specifications: Compact and durable, fits easily on key rings Reading and writing distance: 5 - 10 cm Operating frequency of 13.56 MHz Dimension: 41 × 32 × 3.5 mm...
-
DS-KD-KP Code tableau
The DS-KD-KP module is intended for cooperation with the DS-KD8003-IME1 video intercom module.The modules of the DS-KD-xx series are mounted in special enclosures of the DS-KD-ACF (flush-mounting enclosures) and DS-KD-ACW (surface-mounting enclosures) series. Aluminium masking frames are included with the...
-
DS-KD8003-IME1/S (B) stainless steel outdoor station bell push button
The Hikvision DS-KD8003-IME1/S(B) RVS is a KD8 Series modular door station designed to combine video intercom functionality with access control. This model features a 2 MP fisheye camera with additional infrared (IR) illumination, improving visibility in low-light conditions. The wide...
-
DS-KD-M Mifare reader
The DS-KD-M module is designed for cooperation with the DS-KD8003-IME1 video intercom module.The DS-KD-xx series modules are mounted in special boxes of the DS-KD-ACF (integrated boxes) and DS-KD-ACW (surface-mounted boxes) series. The aluminium masking frames are delivered with the boxes...
-
DS-KV6113-WPE1 Angle bracket
DS-KV6113-WPE1 Corner BracketDo you want to place your Doorbell in a corner of your door ? Then this is the perfect bracket for you.This bracket allows you to place the doorbell in the corner so the camera faces forward at...
-
Mifare tag MF-Y3 Blue
MF-Y3 Blue Mifare tag suitable for access solutions with MiFare readers. Specifications: Compact and durable, fits easily on key rings Reading and writing distance: 5 - 10 cm Operating frequency of 13.56 MHz Dimension: 41 × 32 × 3.5 mm...
-
DS-KH8520-WTE1 Indoor station 10'' Inch screen Deluxe model
"Please note that the configuration of all intercom systems requires a computer with windows software."The indoor stations can only display locally connected cameras on the screen, there is no functionality to display images via Hik-Connect on an indoor station that...
-
DS-KD-ACF2 Mounting frame 2 modules
The interconnecting cables are included with the frame from Hikvision.Product info
-
DS-KAD706, 2-Wire Video/Audio Distributor
Hikvision DS-KAD706, 2-Wire Video/Audio Distributor NB! This switch does not come with a 24-volt power supply as standard. Here you will find a power adapter and here you will find a Din-rail versionOnly 1 outdoor station and multiple indoor stations...
-
D340P Smart 2K+ PoE Video Doorbell with separate bell
D340P Smart 2K+ PoE Video Doorbell with separate bellViewing angle:• Horizontal: 134° • Vertical: 97° • Diagonal: 180° 2K+ incredible clarity At least twice as bright as 2MP (1080p), 2K+ (5MP) resolution means much more information and greater range. Individuals...
-
DS-KIS602 Complete Intercom KIT with PoE Switch
"Please note: a computer with Windows software is required to configure all intercom systems" Hikvision DS-KIS602 complete intercom KIT with PoE Switch In this complete intercom kit from Hikvision you will find a vandal-proof outdoor station, a luxury indoor station...
-
-
DS-KD8003-IME1 (B)/FLUSH Camera module with mounting frame
"Please note that configuration of all intercom systems requires a computer with windows software." DS-KD8003-IME1 (B) /FLUSH/EU DS-KD8003-IME1 (B)/FLUSH/EU is the main unit of Hikvision's modular video door entry system. Using the main unit DS-KD8003-IME1 (B)/FLUSH/EU, the video door entry...
-
DS-KD8003Y-IME2 Outdoor unit 2-wire
Hikvision's video door entry products are suitable for a variety of applications, including houses and flats. Since IP networks transfer a larger amount of data, higher video quality can be achieved. IP series products can be integrated into CCTV systems...
-
Network cable CAT6, UTP, 305 mtr in box, 100% Copper, Solid cores, CPR approved
Network cable CAT6, UTP, 305 mtr, 100% Copper, Solid cores, CPR approved. Network cable CAT6, UTP, 305 mtr, 100% Copper, Solid cores in handy box, suitable for IP cameras and PoE NVR or switches with long range range, up to...
-
DS-KABV6113-RS/SURFACE, Hikvision Rain cover for DS-KV6113-WPE1, surface-mounted, transparent PVC
Hikvision DS-KABV6113-RS/SURFACE, Hikvision Rain Cap for DS-KV6113-WPE1, surface-mounted, transparent PVC The Hikvision DS-KABV6113-RS is a surface-mounted rain cover for the DS-KV6113 DS-KV6103 outdoor station. Below is a link to the datasheet including dimensions. Specificaties: Algemeen Indoor / Outdoor Inside /...
-
DS-KABH6320-T, Table stand for DS-KH6320 & DS-KH8520
Hikvision DS-KABH6320-T, Table stand for the DS-KH6320 & DS-KH8520Hikvision table stand for the DS-KH6320-WTE, DS-KH6320-WTE2 & DS-KH8520Specifications:Model :: DS-KABH6320-TMaterial :: SUS430, silica gelWorking temperature :: -10 °C to +55 °C (14 °F to 131 °F)Working humidity :: 10% to 90%Dimension :: 122 × 86 × 64...
Intercom System
Someone is at the door. Would you like to know who it is? With an intercom system, you can find out in no time! You can even easily contact your visitor from a distance. This can be done via sound or video or a combination of both. Are you already using an alarm system? Then an intercom system is a great addition to it. Of course, such a system is also possible without any other form of security. AlarmsystemExpert offers many possibilities!
Hikvision Intercom
AlarmsysteemExpert is without a doubt the Hikvision specialist in the Netherlands. You are therefore wise to purchase a Hikvision intercom from us!
- Hikvision IP modular
- Hikvision 2-wire modular
- Hikvision IP access control system
This last system is a great combination of both video and intercom where access can also be controlled. Ideal!
Doorbell camera system
Are you already familiar with a doorbell camera system? If not. that will soon change. After all, video doorbells with app functionality allow you to use your phone to monitor your home or business premises anywhere in the world where you have an Internet connection. A doorbell camera system lets you know when someone is pressing the bell or even already approaching your door. The motion detector notifies you via a message on your phone. Very handy when you are often away from home or in another branch office!

Dahua IP intercom
One of the other renowned brands at Alarm System Expert is Dahua. An IP intercom of this brand gives you the most competitive price for security at the door! Feel free to contact us if you want more information about your new Dahua IP intercom. We will be happy to help you!